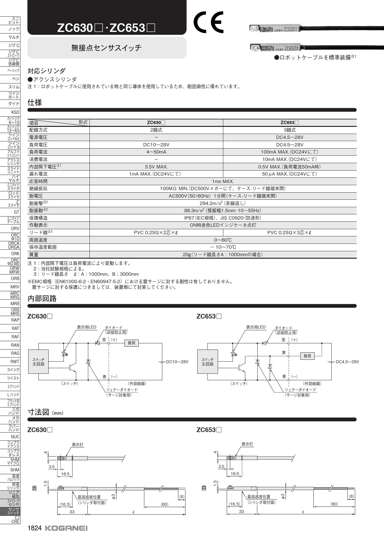
センサスイッチ,ZC630,ZC653,無接点,オートスイッチ
製品
全文
サイト選択
English
---------------
Koganei America
Koganei Asia/Malaysia
Koganei China
Koganei Korea
Koganei Thailand (メンテナンス中)
Koganei Taiwan
TOP
製品一覧
CAD・購入
形式選択後、製品購入とCADデータダウンロードが可能です
製品TOP
iBシリーズ
エアシリンダ・ハンド・ロータリーアクチュエータ
エアバルブ
フィルタ・レギュレータ
スピードコントローラ・継手他
真空機器・パッド
クリーンシステム機器
ロングライフ対応
シリンダ
ショックアブソーバ
電動アクチュエータ
静電気除去
フッ素樹脂製品
定量吐出ポンプ
流体制御機器
水処理装置
薬液・分析用装置
給油装置
教育関連
シミュレーション
アライアンス
資料集
販売中止・仕様変更
製品条件検索
CAD・購入
形式選択後、製品購入とCADデータダウンロードが可能です
エアシリンダ・ハンド・ロータリーアクチュエータ
エアバルブ
調質機器
継手類
簡易購入
FAX お見積り・注文書
おすすめ
コンテンツ
新製品情報
ハンドリング製品
試作品御用達
FAドクター
イベント情報
動画一覧
サポート
お知らせ一覧
技術情報
商品Q&A
安全保障貿易管理
販売中止・仕様変更情報
販売促進資料集
お問合せ
会社情報
会社情報
会社概要
会社沿革
経営理念
ビジョン
営業所・海外ネットワーク
環境の取り組み
RoHS指令対応
品質の取り組み
資材調達
採用情報
0
ようこそゲストさん
TOP
製品TOP
製品詳細
PDF・資料
カタログ 表示ページ(PDF)
カタログ 表示製品(PDF)
カタログ シリーズ全て(PDF)
======= 以下資料 =======
【駆動】安全上のご注意及び一般注意事項
動画
購入・CADデータ
製品概要
仕様/形式
取扱い要領
Prev
Next
カテゴリ
サムネイル
関連商品
iBシリーズ
→
iB-Dent
カタログ
iB-ZERO
カタログ
iB-Move
カタログ
iB-Flow
カタログ
iB-Flow フローセレクタ
カタログ
iB-Cyclone
カタログ
iB-Cyclone負圧用
カタログ
エアシリンダ・ハンド・ロータリーアクチュエータ
→
標準形
→
フレキシブル対応シリンダ
カタログ
ベーシックシリンダ
カタログ
→
複動形
カタログ
押出単動
カタログ
引込単動
カタログ
両ロッド複動形
カタログ
ガイド付複動形
カタログ
ジグシリンダCシリーズ
カタログ
→
複動形
カタログ
押出単動形
カタログ
引込単動形
カタログ
両ロッド複動形
カタログ
両ロッド単動形
カタログ
回転レス複動形
カタログ
スクエアロッド複動形
カタログ
多位置形複動形
カタログ
多位置形押出単動形
カタログ
デュアルストローク複動形
カタログ
デュアルストローク押出単動形
カタログ
デュアルストローク引込単動形
カタログ
耐横荷重形複動形
カタログ
ロングストローク複動形
カタログ
エンドキープ複動形
カタログ
ジグシリンダCシリーズストローク調節タイプ
カタログ
ジグシリンダCシリーズ低摩擦シリンダ
カタログ
スリムシリンダ
カタログ
→
複動形
カタログ
押出単動形
カタログ
両ロッド複動形
カタログ
スクエアロッド複動形
カタログ
ブロック複動形
カタログ
ブロックスクエアロッド複動形
カタログ
ブロック可変クッション付複動形
カタログ
多位置形複動形
カタログ
エンドキープ複動形
カタログ
ブロックエンドキープ複動形
カタログ
ブレーキ複動形
カタログ
引側・押側ストローク調節複動形
カタログ
デュアルストローク複動形
カタログ
低油圧複動形
カタログ
バルパック複動形
カタログ
耐熱複動形
カタログ
低速複動形
カタログ
スクレーパ付 複動形
カタログ
ブロック形耐熱仕様 複動形
カタログ
ブロック形低速仕様 複動形
カタログ
オールステンレス仕様 複動形
カタログ
ペンシリンダ
カタログ
→
複動形
カタログ
押出単動形
カタログ
引込単動形
カタログ
回転レス複動形
カタログ
回転レス押出単動形
カタログ
回転レス引込単動形
カタログ
両ロッド複動形
カタログ
押側ストローク調節複動形
カタログ
引側ストローク調節複動形
カタログ
耐熱複動形
カタログ
低油圧複動形
カタログ
デュアルストローク複動形
カタログ
多位置形形複動形
カタログ
可変クッション付複動形
カタログ
ベアリングガイド内蔵形
カタログ
スピードコントローラ付
カタログ
押出単動形(小径)
カタログ
ノックシリンダ
カタログ
→
複動形
カタログ
押出単動形
カタログ
ミニビットシリンダ
カタログ
→
複動形
カタログ
押出単動形
カタログ
マルチマウントシリンダ
カタログ
→
複動形
カタログ
押出単動形
カタログ
引込単動形
カタログ
回転レス複動形
カタログ
回転レス押出単動形
カタログ
回転レス引込単動形
カタログ
両ロッド複動形
カタログ
回転レス両ロッド複動形
カタログ
ハイマルチシリンダ
カタログ
→
複動形
カタログ
押出単動形
カタログ
引込単動形
カタログ
回転レス複動形
カタログ
ガイド付
カタログ
ツインロッドシリンダ
カタログ
→
φ6ツインロッドシリンダ
カタログ
複動形
カタログ
押出単動形
カタログ
ロングブッシュ複動形
カタログ
エンドキープ複動形
カタログ
アルファシリーズツインロッドシリンダ
カタログ
→
複動形ベアリングタイプ
カタログ
両ロッド複動形
カタログ
ツインポートシリンダ
カタログ
ダイナシリンダ
カタログ
→
複動形
カタログ
回転レス複動形
カタログ
両ロッド複動形
カタログ
回転レス両ロッド複動形
カタログ
多位置形複動形
カタログ
デュアルストローク複動形
カタログ
押側ストローク調節複動形
カタログ
引側ストローク調節複動形
カタログ
低油圧複動形
カタログ
バルパック複動形
カタログ
エンドキープ複動形
カタログ
ブレーキ複動形
カタログ
KSDシリンダ
カタログ
→
複動形 アルミチューブ
カタログ
両ロッド形 アルミチューブ
カタログ
多位置形 アルミチューブ
カタログ
デュアルストローク形 アルミチューブ
カタログ
押側ストローク調節形 アルミチューブ
カタログ
引側ストローク調節形 アルミチューブ
カタログ
低油圧形 アルミチューブ
カタログ
複動形 鉄チューブ
カタログ
両ロッド形 鉄チューブ
カタログ
多位置形 鉄チューブ
カタログ
デュアルストローク形 鉄チューブ
カタログ
押側ストローク調節形 鉄チューブ
カタログ
引側ストローク調節形 鉄チューブ
カタログ
低油圧形 鉄チューブ
カタログ
スイングシリンダ
カタログ
ツイストシリンダ
カタログ
真空パッド搭載マルチマウントシリンダ
カタログ
ガイド付
→
ミニガイドスライダ
カタログ
→
複動形
カタログ
側面取付複動形
カタログ
側面取付バッファ付複動形
カタログ
エンドキープ付複動形
カタログ
後方配管仕様
カタログ
後方配管仕様バッファ付
カタログ
出側ストローク調節複動形
カタログ
出側ストローク調節バッファ付複動形
カタログ
出側・入側ストローク調節複動形
カタログ
出側・入側ストローク調節バッファ付複動形
カタログ
バッファ付複動形
カタログ
バッファ・エンドキープ付複動形
カタログ
ミニガイドテーブル
カタログ
ベーシックシリンダ
カタログ
→
ガイド付複動形
カタログ
ガイド付ジグシリンダ
カタログ
→
ガイド付複動形φ6・8・10
カタログ
ガイド付ストローク調節複動形φ6・8・10
カタログ
ガイド付複動形
カタログ
ガイド付ストローク調節複動形
カタログ
ガイド付エンドキープ複動形
カタログ
(汎用特殊)ガイド付 可変クッション仕様
カタログ
(汎用特殊)ガイド付 ハイパワー仕様
カタログ
ロッドスライダ
カタログ
→
ガイド付複動形
カタログ
ガイド付アブソーバ搭載形
カタログ
ガイド付エンドキープ形
カタログ
Zスライダ
カタログ
ハイマルチシリンダ
カタログ
→
ガイド付シリンダセンサ対応形
カタログ
アルファシリーズツインロッドシリンダ
カタログ
→
複動形ベアリングタイプ
カタログ
両ロッド複動形
カタログ
アクシスシリンダ
カタログ
搬送形
→
スリット式 ORV
カタログ
スリット式 ORC10
カタログ
スリット式 ORCA
カタログ
スリット式カムフォロアガイド付 ORK
カタログ
スリット式ガイド付 ORGA
カタログ
スリット式 ORC63、80
カタログ
ガイド一体形スリット式 ORB
→
標準仕様
カタログ
スリット式リニアガイド付 ORS
カタログ
スリット式リニアガイド付 ORW
カタログ
マグネット式 フラットロッドレス MRV
カタログ
マグネット式 MRC
カタログ
マグネット式ガイド付 MRG
カタログ
ガイド一体形マグネット式 MRB
カタログ
マグネット式リニアガイド付 MRS
カタログ
マグネット式リニアガイド付 MRW
カタログ
スライドユニット
カタログ
→
複動形
カタログ
複動形 エンドキープ形
カタログ
GTスライドテーブルBタイプ
カタログ
→
二本ガイド付複動形
カタログ
一本ガイド付複動形
カタログ
ミニガイドテーブル
カタログ
APテーブル
カタログ
エアハンド
→
リニアガイド付パラレルタイプ ハンドボーイ
カタログ
リニアガイド付パラレルタイプ NHBDPG
カタログ
→
複動形
カタログ
常時単動形
カタログ
リニアガイド付パラレルタイプ NHBDPGL
カタログ
リニアガイド付パラレルタイプ NHBDPGY
カタログ
→
複動形
カタログ
常時開単動形
カタログ
リニアガイド付パラレルタイプ NHBDPGJ
カタログ
→
複動形
カタログ
常時開単動形
カタログ
クロスローラベアリング付パラレルタイプ NHBDPA
カタログ
→
複動形
カタログ
常時開単動形
カタログ
パラレルタイプ NHBDP
カタログ
→
複動形
カタログ
常時開単動形
カタログ
スイングタイプNHBDS
カタログ
→
複動形
カタログ
常時開単動形
カタログ
180度開閉タイプNHBDSL
カタログ
ガイド付180度開閉タイプNHBDSLG
カタログ
リニアガイド付 フラット形エアハンド
カタログ
→
同期複動形
カタログ
同期複動形(ロングタイプ)
カタログ
非同期複動形
カタログ
リニアガイド付 Lハンド
カタログ
ワイド形エアハンドWHDP
カタログ
リニアガイド付 三爪ハンド
カタログ
→
エア駆動複動形
カタログ
メカ駆動常時閉単動形
カタログ
パラレルタイプ メカ駆動ハンド
カタログ
→
常時閉単動形
カタログ
常時開単動形
カタログ
リニアガイド付 メカ駆動ハンド
カタログ
パラレルタイプ・リニアガイド仕様メカハンド フィンガ付
カタログ
パラレルタイプ・リニアガイド仕様メカハンド ゴムカバー付
カタログ
パラレルタイプ・リニアガイド仕様メカハンド ロングストローク
カタログ
ラバーハンドシリーズ
カタログ
→
ピックタイプ
カタログ
グリップタイプ
カタログ
システマチックハンドリングモジュール
カタログ
→
固定モジュール
カタログ
旋回モジュール
カタログ
反転モジュール
カタログ
シフトモジュール
カタログ
クッションモジュール
カタログ
コンプライアンスモジュール
カタログ
コンプライアンスモジュールNZ仕様
カタログ
平行クランプモジュール
カタログ
平行クランプロングモジュール
カタログ
システマチックハンドリングモジュールマイクロシリーズ
カタログ
→
コンプライアンスモジュール
カタログ
コンプライアンスモジュールNZ仕様
カタログ
平行クランプモジュール
カタログ
コンプライアンス ライト
カタログ
ロボット用ハンドリング製品
→
オートハンドチェンジャ
カタログ
電動オートハンドチェンジャ
カタログ
マニュアルハンドチェンジャMJMシリーズ
カタログ
コンプライアンス ライト
→
コンプライアンス ライト 平行タイプ
カタログ
コンプライアンス ライト 揺動タイプ
カタログ
コンプライアンスライト θレス仕様
カタログ
コンプライアンス ライト 小形仕様
カタログ
電動コンプライアンス
カタログ
システマチックハンドリングモジュール
カタログ
→
固定モジュール
カタログ
旋回モジュール
カタログ
反転モジュール
カタログ
シフトモジュール
カタログ
クッションモジュール
カタログ
コンプライアンスモジュール
カタログ
コンプライアンスモジュールNZ仕様
カタログ
平行クランプモジュール
カタログ
平行クランプロングモジュール
カタログ
システマチックハンドリングモジュールマイクロシリーズ
カタログ
→
コンプライアンスモジュール
カタログ
コンプライアンスモジュールNZ仕様
カタログ
平行クランプモジュール
カタログ
ロボットジョイント EPSON Robot対応
カタログ
ロボットジョイント アイエイアイ Robot対応
カタログ
ロボットジョイント YAMAHA Robot対応
カタログ
ロボットジョイント YASKAWA Robot対応
カタログ
ロボットジョイント 三菱電機 Robot対応
カタログ
ロボットジョイント FANUC Robot対応
カタログ
ロータリアクチュエータ
→
ピストンタイプ RAP
カタログ
ピストンタイプテーブル形 RAT
カタログ
ベーンタイプ RAN
カタログ
→
シングルベーンタイプ
カタログ
シングルベーンセンサ搭載タイプ
カタログ
ピストンタイプテーブル形 フラットロータリ
カタログ
ベーンタイプテーブル形 RAG
カタログ
インデックステーブル形 RWT
カタログ
スイングシリンダ
カタログ
ツイストシリンダ
カタログ
高速バルパックシリンダ
カタログ
低速シリンダ
→
ジグシリンダCシリーズ(低速仕様)
カタログ
ガイド付ジグシリンダ(低速仕様)
カタログ
ガイド付ジグシリンダ(低速仕様)
カタログ
スリムシリンダ(低速仕様)
カタログ
→
複動形
カタログ
ブロック付複動形
カタログ
ペンシリンダ(低速仕様)
カタログ
マルチマウントシリンダ(低速仕様)
カタログ
ツインロッドシリンダ(低速仕様)
カタログ
シリンダジョイント
→
シリンダジョイント
カタログ
シリンダロッドエンド
カタログ
クリーンシステム機器
→
ミニビットシリンダMBDA(クリーン機器)
カタログ
ペンシリンダPBDA(クリーン機器)
カタログ
→
複動形
カタログ
押出単動形
カタログ
マルチマウントシリンダ(クリーン機器)
カタログ
→
複動形
カタログ
回転レス複動形
カタログ
両ロッド複動形
カタログ
ベーシックシリンダ複動形(クリーン機器)
カタログ
ベーシックシリンダ ガイド付(クリーン機器)
カタログ
ジグシリンダCシリーズ(クリーン機器)
カタログ
ジグシリンダ低摩擦仕様CDAZ(クリーン機器)
カタログ
スリムシリンダ(クリーン機器)
カタログ
→
複動形
カタログ
両ロッド複動形
カタログ
エンドキープ複動形
カタログ
ブロック複動形
カタログ
ブロックエンドキープ複動形
カタログ
ガイド付ジグシリンダ(クリーン機器)
カタログ
ミニガイドスライダMGA(クリーン機器)
カタログ
ツインロッドシリンダTDA(クリーン機器)
カタログ
ツインロッドシリンダ(クリーン機器)
カタログ
フラットロッドレス(クリーン機器)
カタログ
リニアガイド付パラレルタイプ NHBDPG(クリーン機器)
カタログ
ピストンタイプ RAP(クリーン機器)
カタログ
センサスイッチ
→
無接点センサ
→
ZC130 ZC153 LED付
カタログ
ZC230 ZC253 LED付
カタログ
ZC330 ZC353 LED付
カタログ
ZG530 ZG553 LED付
カタログ
ZC630 ZC653 LED付
カタログ
ZE135 ZE155 ZE235 ZE255 LED付
カタログ
ZE175 ZE275 3線式LED付
カタログ
ZB430 CS9H LED付
カタログ
無接点2色発光センサ
カタログ
有接点センサ
→
CS5T CS11T 2線式
カタログ
ZC201 ZC205 2線式
カタログ
CS3M CS4M CS5M 2線式
カタログ
CS3H CS4H CS5H 2線式
カタログ
ZC301 ZC305 2線式
カタログ
ZC601 ZC605 2線式
カタログ
ZE101 ZE102 ZE201 ZE202 2線式
カタログ
CS2F CS3F CS4F CS5F 2線式
カタログ
CS2B CS3B CS4B CS5B 2線式
カタログ
ストロークセンサZMシリーズ
カタログ
リニア磁気センサコントローラZL1シリーズ
カタログ
リニア磁気センサコントローラ ロングタイプZL2シリーズ
カタログ
エアバルブ
→
電磁弁内部パイロット
→
電磁弁iB-ZERO
カタログ
電磁弁F10シリーズ
カタログ
→
F10単体
カタログ
F10一体形ベース配管マニホールド
カタログ
F10一体形直接配管マニホールド
カタログ
F10一体形ベース配管 省配線マニホールド
カタログ
F10一体形直接配管 省配線マニホールド
カタログ
F10一体形ベース配管PCボード配線マニホールド
カタログ
F10一体形直接配管PCボード配線マニホールド
カタログ
F10分割形ノンプラグイン マニホールド
カタログ
F10分割形プラグイン マニホールド
カタログ
F10分割形シリアル伝送 マニホールド
カタログ
F10イージービルド形ノンプラグインマニホールド
カタログ
F10イージービルド形プラグインマニホールド
カタログ
F10イージービルド形シリアル伝送マニホールド
カタログ
電磁弁F15シリーズ
カタログ
→
F15単体
カタログ
F15一体形ベース配管マニホールド
カタログ
F15一体形直接配管マニホールド
カタログ
F15一体形ベース配管 省配線マニホールド
カタログ
F15一体形直接配管 省配線マニホールド
カタログ
F15一体形ベース配管PCボード配線マニホールド
カタログ
F15一体形直接配管PCボード配線マニホールド
カタログ
F15分割形ノンプラグイン マニホールド
カタログ
F15分割形プラグイン マニホールド
カタログ
F15分割形シリアル伝送 マニホールド
カタログ
F15イージービルド形ノンプラグインマニホールド
カタログ
F15イージービルド形プラグインマニホールド
カタログ
F15イージービルド形シリアル伝送マニホールド
カタログ
電磁弁F18シリーズ
カタログ
→
F18単体
カタログ
F18一体形ベース配管マニホールド
カタログ
F18一体形直接配管マニホールド
カタログ
F18分割形ノンプラグイン マニホールド
カタログ
F18分割形プラグイン マニホールド
カタログ
F18分割形シリアル伝送 マニホールド
カタログ
電磁弁JAシリーズ
カタログ
電磁弁JCシリーズ
カタログ
電磁弁JEシリーズ
カタログ
電磁弁EAシリーズ
カタログ
電磁弁EBシリーズ
カタログ
電磁弁010シリーズ
カタログ
電磁弁030シリーズ
カタログ
電磁弁110シリーズ
カタログ
電磁弁112シリーズ
カタログ
電磁弁180シリーズ
カタログ
電磁弁182シリーズ
カタログ
電磁弁240シリーズ
カタログ
電磁弁300シリーズ
カタログ
電磁弁430シリーズ
カタログ
電磁弁600シリーズ
カタログ
電磁弁PAシリーズ
カタログ
電磁弁PBシリーズ
カタログ
電磁弁丸形250シリーズ
カタログ
電磁弁丸形254シリーズ
カタログ
電磁弁丸形375シリーズ
カタログ
電磁弁丸形501シリーズ
カタログ
電磁弁丸形750シリーズ
カタログ
電磁弁丸形3ポジション253、503、753シリーズ
カタログ
電磁弁丸形1000シリーズ
カタログ
電磁弁丸形1250シリーズ
カタログ
電磁弁直動形
→
プチ バルブ(Petit Valve)
カタログ
電磁弁G010シリーズ
カタログ
電磁弁025シリーズ
カタログ
電磁弁030シリーズ
カタログ
電磁弁050シリーズ
カタログ
電磁弁100シリーズ
カタログ
電磁弁130・230シリーズ
カタログ
電磁弁200シリーズ
カタログ
電磁弁丸形062・126シリーズ
カタログ
電磁弁丸形125シリーズ
カタログ
電磁弁丸形126シリーズ
カタログ
高速電磁弁
→
高速2ポート弁 K2
カタログ
高速3・4ポート弁 K3・K4
カタログ
ハイサイクル電磁弁
カタログ
電磁弁防爆形
→
防爆電磁弁EPシリーズ
カタログ
空気作動弁
→
空気作動弁110-4Aシリーズ
カタログ
空気作動弁180-4Aシリーズ
カタログ
空気作動弁240-4Aシリーズ
カタログ
空気作動弁300-4Aシリーズ
カタログ
空気作動弁600-4Aシリーズ
カタログ
空気作動弁125A・250A・500Aシリーズ
カタログ
空気作動弁254-4Aシリーズ
カタログ
空気作動弁375-4A・501-4A・750-4A・1000-4A・1250-4Aシリーズ
カタログ
空気作動弁375A・501A・750A・1000A・1250Aシリーズ
カタログ
電磁弁丸形125LAシリーズ
カタログ
ダイヤフラム形空気作動弁250・2503シリーズ
カタログ
ダブルパイロット空気作動弁125A2・250A2・2503A2
カタログ
水取りバルブ、チェック弁等
→
水取りバルブ
カタログ
チェック弁
カタログ
シャトル弁
カタログ
クイックエキゾースト弁
カタログ
クイック継手付チェックバルブ
カタログ
パイロットチェック弁
カタログ
手動・足踏弁
→
TACバルブシリーズ
カタログ
手動機械弁(押ボタン形)125・250・2503シリーズ
カタログ
レバー式ハンドバルブ400HVシリーズ
カタログ
クイック継手付ハンドバルブFVAシリーズ
カタログ
足踏弁250Fシリーズ 5ポート
カタログ
足踏弁250Fシリーズ 2・3ポート
カタログ
手動機械弁250シリーズ
カタログ
手動機械弁(レバー形)125・250・2503シリーズ
カタログ
機械作動弁
→
機械弁ローラカム式250Cシリーズ
カタログ
機械弁ボールカム式125Bシリーズ
カタログ
機械弁ブランジャ式マイクロバルブシリーズ
カタログ
電気制御補助
→
PCワイヤリングシステム
カタログ
I/Oターミナル
カタログ
クリーンシステム機器
→
G010シリーズ(クリーン機器)
カタログ
010シリーズ(クリーン機器)
カタログ
030シリーズ(クリーン機器)
カタログ
050シリーズ(クリーン機器)
カタログ
110シリーズ(クリーン機器)
カタログ
180シリーズ(クリーン機器)
カタログ
200シリーズ(クリーン機器)
カタログ
240シリーズ(クリーン機器)
カタログ
EAシリーズ(クリーン機器)
カタログ
EBシリーズ(クリーン機器)
カタログ
FシリーズF10タイプ(クリーン機器)
カタログ
FシリーズF15タイプ(クリーン機器)
カタログ
FシリーズF18タイプ(クリーン機器)
カタログ
JAシリーズ(クリーン機器)
カタログ
フィルタ・レギュレータ
→
コンビネーション
→
CMZシリーズ
カタログ
マルチシリーズ コンビネーション
カタログ
大形FRLシリーズ コンビネーション
カタログ
マルチシリーズ オートドレン
カタログ
取付金具
カタログ
→
マルチシリーズモジュールアダプタ
カタログ
大形FRLモジュールアダプタ
カタログ
FRZシリーズモジュールアダプタ
カタログ
FRZシリーズスイッチモジュール
カタログ
フィルタレギュレータ
→
FRZB フィルタレギュレータ
カタログ
FRZ フィルタレギュレータ
カタログ
マルチシリーズ フィルタレギュレータ
カタログ
大形FRLシリーズ フィルタレギュレータ
カタログ
小形FRシリーズ フィルタレギュレータ
カタログ
マルチシリーズ オートドレン
カタログ
取付金具
カタログ
→
マルチシリーズモジュールアダプタ
カタログ
大形FRLモジュールアダプタ
カタログ
FRZシリーズモジュールアダプタ
カタログ
FRZシリーズスイッチモジュール
カタログ
エアフィルタ
→
FRZシリーズ エアフィルタ FNZ
カタログ
マルチシリーズ エアフィルタ
カタログ
大形FRLシリーズ エアフィルタ
カタログ
小形FRシリーズ 真空エアフィルタ
カタログ
エキゾーストフィルタ
カタログ
小形FRシリーズ エアフィルタ
カタログ
マルチシリーズ オートドレン
カタログ
取付金具
→
マルチシリーズモジュールアダプタ
カタログ
大形FRLモジュールアダプタ
カタログ
FRZシリーズモジュールアダプタ
カタログ
FRZシリーズスイッチモジュール
カタログ
iB-Cyclone
カタログ
レギュレータ
→
RZ レギュレータ
カタログ
マルチシリーズ レギュレータ
カタログ
大形FRLシリーズ レギュレータ
カタログ
ステンレスレギュレータRS
カタログ
ハイリリーフレギュレータ
カタログ
電空レギュレータETR
カタログ
→
ETR010
カタログ
ETR200
カタログ
ETR600
カタログ
ETR601
カタログ
クイック継手付レギュレータプッシュロックタイプ
カタログ
小形FRシリーズ レギュレータ
カタログ
取付金具
→
マルチシリーズモジュールアダプタ
カタログ
大形FRLモジュールアダプタ
カタログ
FRZシリーズモジュールアダプタ
カタログ
FRZシリーズスイッチモジュール
カタログ
精密レギュレータ
→
精密レギュレータPR100
カタログ
精密レギュレータPR200
カタログ
精密ステンレスレギュレータPRS
カタログ
マニホールドレギュレータ
→
小形FRシリーズ マニホールドレギュレータ
カタログ
マルチシリーズマニホールドレギュレータ
カタログ
マニホールドレギュレータ
カタログ
ミスト・マイクロミストフィルタ
→
FRZシリーズ オイルミストフィルタ MFZ
カタログ
マルチシリーズ ミストフィルタ
カタログ
FRZシリーズ マイクロオイルミストフォイルタ MMFZ
カタログ
マルチシリーズ マイクロミストフィルタ
カタログ
ミクロミストフィルタKMF
カタログ
大形FRLシリーズミストフィルタ
カタログ
大形FRL シリーズマイクロミストフィルタ
カタログ
取付金具
→
マルチシリーズモジュールアダプタ
カタログ
大形FRLモジュールアダプタ
カタログ
FRZシリーズモジュールアダプタ
カタログ
FRZシリーズスイッチモジュール
カタログ
中空糸膜フィルタ
→
インラインフィルタPLF
カタログ
クリーンラインフィルタCLF
カタログ
ドレンフィルタ他
→
ドレンフィルタDF
カタログ
ラインフィルタKLF
カタログ
活性炭フィルタKKF
カタログ
差圧計
カタログ
ドライヤ
→
膜式エアドライヤKRM
カタログ
チューブドライヤFDH
カタログ
クールセパレータKAE
カタログ
ルブリケータ
→
マルチシリーズ ルブリケータ
カタログ
大形FRLシリーズ ルブリケータ
カタログ
圧力計
→
小形圧力計G1-20
カタログ
小形精密圧力計G3P-40
カタログ
圧力計G1-40
カタログ
パネルマウント圧力計GP1-40
カタログ
精密ステンレスレギュレータ用圧力計
カタログ
真空計GV-40
カタログ
スイッチ内蔵圧力計GS1-50(機械式)
カタログ
小形FRシリーズ用 圧力計
カタログ
差圧計
カタログ
コンプレッサ
→
スマートミニコンプレッサ
カタログ
デスクトップタイプ コンプレッサ
カタログ
残圧排気弁
→
残圧排気弁50VZ (FRZシリーズ)
カタログ
残圧排気弁 (マルチシリーズ)
カタログ
クリーンシステム機器
→
マルチシリーズフィルタレギュレータ(クリーン機器)
カタログ
マルチシリーズエアフィルタ(クリーン機器)
カタログ
マルチシリーズレギュレータ(クリーン機器)
カタログ
マルチシリーズミストフィルタ(クリーン機器)
カタログ
マルチシリーズミストマイクロフィルタ(クリーン機器)
カタログ
マルチシリーズ精密レギュレータ(クリーン機器)
カタログ
取付金具
→
マルチシリーズモジュールアダプタ
カタログ
大形FRLモジュールアダプタ
カタログ
FRZシリーズモジュールアダプタ
カタログ
FRZシリーズスイッチモジュール
カタログ
クイック継手付フィルタ
カタログ
水取りバルブ
カタログ
スピードコントローラ・継手・チューブ他
→
パルスブローシリーズ
→
パルスブローエアーガン
カタログ
パルスブローシリーズ長寿命仕様
カタログ
パルスブローユニット PAUシリーズ
カタログ
→
パルスブローユニット PAU-05シリーズ
カタログ
パルスブローユニット PAU、PAU-30シリーズ
カタログ
食品製造工程向けパルスブローシリーズ
カタログ
耐切削油仕様パルスブローシリーズ
カタログ
二次側取付仕様 パルスブローユニットPAUSシリーズ
カタログ
パルスブローユニット PAU-50シリーズ
カタログ
クイック継手
→
標準タイプ
カタログ
スマートタイプ
カタログ
金属部SUS仕様
カタログ
ロータリタイプ
カタログ
ストップ弁付
カタログ
サプライジョイント
カタログ
コネクタ継手
カタログ
バーブ継手
→
TAC継手(バーブ)
カタログ
スピードコントローラ クイック継手
→
標準タイプ
カタログ
低速制御タイプ
カタログ
クイック継手付スピードコントローラダイヤル付タイプ
カタログ
スピードコントローラ ねじ配管
→
TSCOシリーズ
カタログ
TSCシリーズ
カタログ
SCシリーズ
カタログ
SCLシリーズ
カタログ
KSCシリーズ
カタログ
圧力スイッチ・表示器
→
多チャンネルマルチセンサコントローラ
カタログ
スイッチ内蔵圧力計GS1-50(機械式)
カタログ
デジタル圧力スイッチGS6
カタログ
電子式圧力スイッチPS4
カタログ
エアインジケータKIS
カタログ
流量センサスイッチ
→
分離形1チャンネル流量センサコントローラFS1U
カタログ
iB-Flow
カタログ
絞り弁
→
スロットルバルブ
カタログ
パワーレデューサ
カタログ
チューブ
→
ナイロンチューブ
カタログ
ウレタンチューブ
カタログ
フラットチューブ(ウレタン)
カタログ
ソフトナイロンチューブ
カタログ
チューブホルダ
カタログ
プラチェーンダクト
→
プラチェーンダクト
カタログ
マフラ
→
マフラKMシリーズ(樹脂製)
カタログ
マフラKMシリーズ(黄銅製)
カタログ
コラムホルダ&チューブ
→
ホルダ&コラムチューブ
カタログ
空油圧変換
→
エアハイドロコンバータAHC
カタログ
エアブリーダAHB
カタログ
油圧式速度制御
→
ハイドロチェッカHC
カタログ
ハイドロスピードレギュレータRB
カタログ
クリーンシステム機器
→
クイック継手(クリーン機器)
→
標準タイプ
カタログ
サプライジョイント
カタログ
バーブ継手(クリーン機器)
→
TAC継手(クリーン機器)
カタログ
スピードコントローラ(クリーン機器)
→
クイック継手付スピードコントローラ(クリーン機器)
カタログ
TSCOシリーズ(クリーン機器)
カタログ
TSCシリーズ(クリーン機器)
カタログ
SCシリーズ(クリーン機器)
カタログ
SCLシリーズ(クリーン機器)
カタログ
KSCシリーズ(クリーン機器)
カタログ
チューブ(クリーン機器)
→
ウレタンチューブ(クリーン機器)
カタログ
真空機器・パッド
→
制御機器
→
電磁弁式
カタログ
→
プチ バルブ(Petit Valve)(真空)
カタログ
真空丸形電磁弁V062・V126シリーズ
カタログ
真空丸形電磁弁VA250シリーズ
カタログ
真空丸形電磁弁VA500シリーズ
カタログ
電磁弁G010シリーズ(2、3ポート用)
カタログ
真空電磁弁V030シリーズ
カタログ
真空電磁弁V050シリーズ
カタログ
真空電磁弁V100シリーズ
カタログ
真空電磁弁V200シリーズ
カタログ
真空電磁弁V112シリーズ
カタログ
真空電磁弁V182シリーズ
カタログ
電磁弁F10シリーズ(真空)
カタログ
電磁弁F15シリーズ(真空)
カタログ
電磁弁F18シリーズ(真空)
カタログ
電磁弁PAシリーズ(真空)
カタログ
電磁弁PBシリーズ(真空)
カタログ
パイロット式
カタログ
→
パイロット真空弁VA125Aシリーズ
カタログ
パイロット真空弁250A2シリーズ
カタログ
手動・機械式
→
押ボタン式 真空手動作動弁
カタログ
足踏式 真空手動弁
カタログ
ボールカム式 真空機械弁
カタログ
ローラカム式 真空機械弁
カタログ
レバー式 真空機械弁
カタログ
真空バルブユニット
カタログ
→
MV030・MV090タイプ
カタログ
MV180タイプ
カタログ
真空発生器
→
マイクロエジェクタFME
カタログ
マイクロエジェクタME
カタログ
マイクロエジェクタME(一体形)
カタログ
マイクロエジェクタMED(多段式)
カタログ
マイクロエジェクタMEDT(多段式)
カタログ
インラインエジェクタPME
カタログ
センサ類 周辺機器
→
デジタル圧力スイッチGS6
カタログ
電子式圧力スイッチPS4
カタログ
電子式圧力スイッチPS3
カタログ
分離形1チャンネル流量センサコントローラFS1U
カタログ
多チャンネルマルチセンサコントローラ
カタログ
真空パッド
→
真空パッドベローズタイプKPTシリーズ
カタログ
真空パッドベローズタイプKPJシリーズ
カタログ
真空パッド
カタログ
調質機器
→
真空レギュレータVR
カタログ
真空レギュレータNVR(パイロット式)
カタログ
iB-Cyclone 負圧用
カタログ
真空フィルタ(小形FRシリーズ)
カタログ
真空計GV-40
カタログ
クイック継手付フィルタ
カタログ
真空パッド搭載マルチマウントシリンダBDAV
カタログ
デスクトップタイプ真空ポンプ
カタログ
スマートミニコンプレッサ
カタログ
非接触搬送機器
カタログ
吸着痕対策非接触搬送機器NCTNシリーズ
カタログ
吸着ユニットVYPシリーズ
カタログ
真空ポンプユニットEVP03シリーズ
カタログ
落下防止チェック弁VPCシリーズ
カタログ
クリーンシステム機器
→
エアシリンダ (クリーン機器)
→
コンプライアンスライト クリーンシステム仕様平行タイプ
カタログ
コンプライアンスライト クリーンシステム仕様揺動タイプ
カタログ
ミニビットシリンダMBDA(クリーン機器)
カタログ
ペンシリンダPBDA(クリーン機器)
カタログ
→
複動形
カタログ
押出単動形
カタログ
マルチマウントシリンダ(クリーン機器)
カタログ
→
複動形
カタログ
回転レス複動形
カタログ
両ロッド複動形
カタログ
ベーシックシリンダ複動形(クリーン機器)
カタログ
ベーシックシリンダ ガイド付(クリーン機器)
カタログ
ジグシリンダCシリーズ(クリーン機器)
カタログ
ジグシリンダ低摩擦仕様CDAZ(クリーン機器)
カタログ
スリムシリンダ(クリーン機器)
カタログ
→
複動形
カタログ
両ロッド複動形
カタログ
エンドキープ複動形
カタログ
ブロック複動形
カタログ
ブロックエンドキープ複動形
カタログ
ガイド付ジグシリンダ(クリーン機器)
カタログ
ミニガイドスライダMGA(クリーン機器)
カタログ
ツインロッドシリンダTDA(クリーン機器)
カタログ
ツインロッドシリンダ(クリーン機器)
カタログ
フラットロッドレス(クリーン機器)
カタログ
エアハンドNHBDPG(クリーン機器)
カタログ
ピストンタイプ RAP(クリーン機器)
カタログ
エアバルブ (クリーン機器)
→
G010シリーズ(2、3ポート用クリーン機器)
カタログ
010シリーズ(5ポート・クリーン機器)
カタログ
030シリーズ(クリーン機器)
カタログ
050シリーズ(クリーン機器)
カタログ
110シリーズ(クリーン機器)
カタログ
180シリーズ(クリーン機器)
カタログ
200シリーズ(クリーン機器)
カタログ
240シリーズ(クリーン機器)
カタログ
EAシリーズ(クリーン機器)
カタログ
EBシリーズ(クリーン機器)
カタログ
FシリーズF10タイプ(クリーン機器)
カタログ
FシリーズF15タイプ(クリーン機器)
カタログ
FシリーズF18タイプ(クリーン機器)
カタログ
JAシリーズ(クリーン機器)
カタログ
調質調圧機器 (クリーン機器)
→
マルチシリーズフィルタレギュレータ(クリーン機器)
カタログ
マルチシリーズエアフィルタ(クリーン機器)
カタログ
マルチシリーズレギュレータ(クリーン機器)
カタログ
マルチシリーズミストフィルタ(クリーン機器)
カタログ
マルチシリーズミストマイクロフィルタ(クリーン機器)
カタログ
マルチシリーズ精密レギュレータ(クリーン機器)
カタログ
スピードコントローラ・継手・チューブ・その他 (クリーン機器)
→
クイック継手(クリーン機器)
→
標準タイプ
カタログ
スマートタイプ
カタログ
サプライジョイント
カタログ
バーブ継手(クリーン機器)
→
TAC継手(バーブ)
カタログ
スピードコントローラ(クリーン機器)
→
クリーン機器クイック継手付スピードコントローラ
カタログ
クリーン機器スピードコントローラTSCOシリーズ
カタログ
クリーン機器スピードコントローラTSCシリーズ
カタログ
クリーン機器スピードコントローラSCシリーズ
カタログ
クリーン機器スピードコントローラSCLシリーズ
カタログ
クリーン機器スピードコントローラKSCシリーズ
カタログ
ウレタンチューブ(クリーン機器)
カタログ
ショックアブソーバ (クリーン機器)
→
KSHCシリーズ (クリーン機器)
カタログ
ロングライフ対応シリンダ
→
ロングライフ対応 ベーシックシリンダ
カタログ
ロングライフ対応 ベーシックシリンダ ガイド付
カタログ
ロングライフ対応 ジグシリンダCシリーズ
カタログ
ロングライフ対応 ガイド付ジグシリンダ
カタログ
ロングライフ対応 スリムシリンダ
カタログ
ショックアブソーバ
→
プロテクションショックアブソーバKSHW
カタログ
耐偏角アブソーバ
カタログ
リニアオリフィス式 KSHJ
カタログ
リニアオリフィス調整式 KSHP
カタログ
固定オリフィス式 KSHA
カタログ
リニアオリフィス式 KSHC(クリーン機器)
カタログ
マルチオリフィス調整式 KSHE
カタログ
マルチオリフィス調整式センサ搭載 KSHES
カタログ
リニアオリフィス式耐圧形 KSHK
カタログ
シングルオリフィス式 KSH
カタログ
シリンダオプション用 ショックアブソーバ
→
アクシスシリンダ用KSHAX
カタログ
マグネット式ロッドレスMRG用KSHADM
カタログ
ハンドリングモジュールSHM用KSHAH
カタログ
ピストンタイプテーブル形RAT用KSHAR
カタログ
電動アクチュエータ
→
電動ハンドフラットタイプ
カタログ
電動NSスライダ
カタログ
電動ロータリー
カタログ
電動ハンド
カタログ
電動三爪ハンド
カタログ
電動コンプライアンス
カタログ
iB-Move 本体
カタログ
デスクトップ形
→
デスクトップロボット DTRBシリーズ
カタログ
電動薄形スライダ
カタログ
アイエイアイ製品
→
細小型ロボシリンダ
カタログ
ロボシリンダ
カタログ
単軸ロボット
カタログ
リニアサーボアクチュエータ
カタログ
スカラロボット
カタログ
テーブルトップ型ロボット
カタログ
直交ロボット
カタログ
静電気除去
→
ブロータイプ
→
標準タイプ (ELKシリーズ)
カタログ
低発塵タイプ (ELKシリーズ)
カタログ
省エアタイプ (ELKシリーズ)
カタログ
1ヘッド・2ヘッドタイプ (ELBシリーズ)
カタログ
ファンタイプ
→
ELFシリーズ(シンプルタイプ)
カタログ
ELFシリーズ(高性能タイプ)
カタログ
ELFシリーズ(多機能タイプ)
カタログ
ELFシリーズ(従来品)
カタログ
ELWシリーズ ワイドタイプ
カタログ
FAシリーズワイドエリアタイプ
カタログ
HAシリーズオーバーヘッドタイプ
カタログ
バータイプ
→
BX01シリーズ (高速除電)
カタログ
BA11シリーズ
カタログ
エアガンタイプ
→
ELG21シリーズ
カタログ
イオナイザーエアガンタイプDTY-ELG31
カタログ
イオナイザーエアガンタイプDTY-ELG41
カタログ
イオンワイパー
→
セパレートタイプ
カタログ
A4サイズ
カタログ
A3サイズ
カタログ
静電電位センサ
→
DTY-EPS01シリーズ
カタログ
DTY-KVS11シリーズ (ハンディータイプ)
カタログ
フッ素樹脂製品
→
バルブ
→
超小形2ポート弁
カタログ
2ポート弁
カタログ
3ポート弁
カタログ
サックバック付エアオペレイトバルブ
カタログ
サックバックバルブ
カタログ
バルブその他
→
電磁弁
カタログ
高粘度仕様バルブ
カタログ
流量2段階切換バルブ
カタログ
大流量バルブ・排水弁
カタログ
その他関連製品
→
チェック弁
カタログ
レバー・ニードル他
カタログ
フッ素樹脂継手
カタログ
フッ素樹脂チューブ
カタログ
定量吐出ポンプ
→
半導体・液晶分野
→
定量性能重視
→
空気圧ベローズポンプ
カタログ
空気圧PTポンプ
カタログ
電動ベローズポンプ
カタログ
電動CTポンプ
カタログ
電動PTポンプ
カタログ
ツインポンプ
カタログ
定量・定流量性能重視
→
ACサーボ駆動CT/PT/HTポンプ
カタログ
電動高耐圧ポンプF-EPH
カタログ
電動RTポンプ
カタログ
エンドレスポンプ
カタログ
ディスペンスユニット
カタログ
グリス塗布
→
マジカルポンプ
カタログ
流体制御機器
→
比例制御弁KFPV
カタログ
→
小形比例制御弁KFPV010シリーズ
カタログ
KFPV050
カタログ
KFPV300
カタログ
KFPV用コントローラ
カタログ
比例制御弁ISO対応
カタログ
水処理装置
→
DBスケールセパレーター
カタログ
薬液・分析用機器
→
薬液用 小形2・3ポート弁PVSシリーズ
カタログ
薬液用 小形2・3ポート弁PVRシリーズ
カタログ
教育関連
→
空気圧実習装置
カタログ
Automation Studio(TM)(オートメーションスタジオ)
カタログ
シミュレーション
→
Automation Studio(TM)(オートメーションスタジオ)
カタログ
アライアンス製品
→
OnRobot
カタログ
ハンドリング製品
→
つかむ
→
リニアガイド付パラレルタイプ NHBDPGL
カタログ
リニアガイド付パラレルタイプ NHBDPG
カタログ
パラレルタイプ・リニアガイド仕様 フィンガ付NHBDPGY
カタログ
パラレルタイプ・リニアガイド仕様 ゴムカバー付NHBDPGJ
カタログ
ラバーハンド
カタログ
リニアガイド付 三爪ハンド
カタログ
パラレルタイプ メカハンド
カタログ
OnRobot
カタログ
電動ハンド
カタログ
電動ハンドフラットタイプ
カタログ
つなぐ
→
オートハンドチェンジャー
カタログ
ロボットジョイント EPSON Robot対応
カタログ
ロボットジョイント アイエイアイ Robot対応
カタログ
吸う
→
マイクロエジェクタFME
カタログ
インラインエジェクタPME
カタログ
非接触搬送機器
カタログ
真空バルブユニット
カタログ
バキュームパッド KPシリーズ
カタログ
バキュームパッドベローズタイプ KPTシリーズ
カタログ
真空パッドベローズタイプKPJシリーズ
カタログ
デスクトップタイプ 真空ポンプ
カタログ
吹く
→
高速2ポート弁 K2
カタログ
高速3・4ポート弁 K3・K4
カタログ
パルスブローエアガン PAG
カタログ
パルスブローユニット PAUシリーズ
カタログ
整える
→
コンプライアンスライト
カタログ
コンプライアンスライト θレス仕様
カタログ
取りのぞく
→
イオナイザーブロータイプ DTY-ELK01
カタログ
イオンワイパー セパレートタイプ
カタログ
インラインフィルタPLF
カタログ
iB-Cyclone
カタログ
水取りバルブ
カタログ
はかる
→
デジタル圧力スイッチ GS6
カタログ
多チャンネルマルチセンサコントローラ
カタログ
ストロークセンサZM
カタログ
リニア磁気センサ ZL1
カタログ
リニア磁気センサ ZL2
カタログ
給油装置
→
オートグリースタ向け給油ポンプ・分配弁
カタログ
定量供給装置
カタログ
大型設備向け給油装置
カタログ
FAコンサルタント
カタログ
資料集
→
選定資料
カタログ
用語集
カタログ
トラブルシューティング
カタログ
注意事項
カタログ
セルフチェックシート
カタログ
保証_免責事項
カタログ
リニア磁気センサコントローラZL1シリーズ
ストロークセンサZMシリーズ
電子式圧力スイッチPS4
デジタル圧力スイッチGS6
クイック継手付スピードコントローラ
製品
アディショナルパーツ
▼閉じる▼
価格納期確認
CADダウンロード
DXF形式
STEP形式
ParaSolid形式
IGES形式
購入
数量
1
2
3
4
5
6
7
8
9
10
11
12
13
14
15
16
17
18
19
20
21
22
23
24
25
26
27
28
29
30
31
32
33
34
35
36
37
38
39
40
41
42
43
44
45
46
47
48
49
50
51
52
53
54
55
56
57
58
59
60
61
62
63
64
65
66
67
68
69
70
71
72
73
74
75
76
77
78
79
80
81
82
83
84
85
86
87
88
89
90
91
92
93
94
95
96
97
98
99
100
101
102
103
104
105
106
107
108
109
110
111
112
113
114
115
116
117
118
119
120
121
122
123
124
125
126
127
128
129
130
131
132
133
134
135
136
137
138
139
140
141
142
143
144
145
146
147
148
149
150
151
152
153
154
155
156
157
158
159
160
161
162
163
164
165
166
167
168
169
170
171
172
173
174
175
176
177
178
179
180
181
182
183
184
185
186
187
188
189
190
191
192
193
194
195
196
197
198
199
200
201
202
203
204
205
206
207
208
209
210
211
212
213
214
215
216
217
218
219
220
221
222
223
224
225
226
227
228
229
230
231
232
233
234
235
236
237
238
239
240
241
242
243
244
245
246
247
248
249
250
251
252
253
254
255
256
257
258
259
260
261
262
263
264
265
266
267
268
269
270
271
272
273
274
275
276
277
278
279
280
281
282
283
284
285
286
287
288
289
290
291
292
293
294
295
296
297
298
299
300
301
302
303
304
305
306
307
308
309
310
311
312
313
314
315
316
317
318
319
320
321
322
323
324
325
326
327
328
329
330
331
332
333
334
335
336
337
338
339
340
341
342
343
344
345
346
347
348
349
350
351
352
353
354
355
356
357
358
359
360
361
362
363
364
365
366
367
368
369
370
371
372
373
374
375
376
377
378
379
380
381
382
383
384
385
386
387
388
389
390
391
392
393
394
395
396
397
398
399
400
401
402
403
404
405
406
407
408
409
410
411
412
413
414
415
416
417
418
419
420
421
422
423
424
425
426
427
428
429
430
431
432
433
434
435
436
437
438
439
440
441
442
443
444
445
446
447
448
449
450
451
452
453
454
455
456
457
458
459
460
461
462
463
464
465
466
467
468
469
470
471
472
473
474
475
476
477
478
479
480
481
482
483
484
485
486
487
488
489
490
491
492
493
494
495
496
497
498
499
500
501
502
503
504
505
506
507
508
509
510
511
512
513
514
515
516
517
518
519
520
521
522
523
524
525
526
527
528
529
530
531
532
533
534
535
536
537
538
539
540
541
542
543
544
545
546
547
548
549
550
551
552
553
554
555
556
557
558
559
560
561
562
563
564
565
566
567
568
569
570
571
572
573
574
575
576
577
578
579
580
581
582
583
584
585
586
587
588
589
590
591
592
593
594
595
596
597
598
599
600
601
602
603
604
605
606
607
608
609
610
611
612
613
614
615
616
617
618
619
620
621
622
623
624
625
626
627
628
629
630
631
632
633
634
635
636
637
638
639
640
641
642
643
644
645
646
647
648
649
650
651
652
653
654
655
656
657
658
659
660
661
662
663
664
665
666
667
668
669
670
671
672
673
674
675
676
677
678
679
680
681
682
683
684
685
686
687
688
689
690
691
692
693
694
695
696
697
698
699
700
701
702
703
704
705
706
707
708
709
710
711
712
713
714
715
716
717
718
719
720
721
722
723
724
725
726
727
728
729
730
731
732
733
734
735
736
737
738
739
740
741
742
743
744
745
746
747
748
749
750
751
752
753
754
755
756
757
758
759
760
761
762
763
764
765
766
767
768
769
770
771
772
773
774
775
776
777
778
779
780
781
782
783
784
785
786
787
788
789
790
791
792
793
794
795
796
797
798
799
800
801
802
803
804
805
806
807
808
809
810
811
812
813
814
815
816
817
818
819
820
821
822
823
824
825
826
827
828
829
830
831
832
833
834
835
836
837
838
839
840
841
842
843
844
845
846
847
848
849
850
851
852
853
854
855
856
857
858
859
860
861
862
863
864
865
866
867
868
869
870
871
872
873
874
875
876
877
878
879
880
881
882
883
884
885
886
887
888
889
890
891
892
893
894
895
896
897
898
899
900
901
902
903
904
905
906
907
908
909
910
911
912
913
914
915
916
917
918
919
920
921
922
923
924
925
926
927
928
929
930
931
932
933
934
935
936
937
938
939
940
941
942
943
944
945
946
947
948
949
950
951
952
953
954
955
956
957
958
959
960
961
962
963
964
965
966
967
968
969
970
971
972
973
974
975
976
977
978
979
980
981
982
983
984
985
986
987
988
989
990
991
992
993
994
995
996
997
998
999
標準価格
製作日数
質量
※購入時の出荷目安(営業日)と製作日数は異なります。
以降に形式を
全てコピー
価格納期確認
CADダウンロード
DXF形式
STEP形式
ParaSolid形式
IGES形式
購入
数量
1
2
3
4
5
6
7
8
9
10
11
12
13
14
15
16
17
18
19
20
21
22
23
24
25
26
27
28
29
30
31
32
33
34
35
36
37
38
39
40
41
42
43
44
45
46
47
48
49
50
51
52
53
54
55
56
57
58
59
60
61
62
63
64
65
66
67
68
69
70
71
72
73
74
75
76
77
78
79
80
81
82
83
84
85
86
87
88
89
90
91
92
93
94
95
96
97
98
99
100
101
102
103
104
105
106
107
108
109
110
111
112
113
114
115
116
117
118
119
120
121
122
123
124
125
126
127
128
129
130
131
132
133
134
135
136
137
138
139
140
141
142
143
144
145
146
147
148
149
150
151
152
153
154
155
156
157
158
159
160
161
162
163
164
165
166
167
168
169
170
171
172
173
174
175
176
177
178
179
180
181
182
183
184
185
186
187
188
189
190
191
192
193
194
195
196
197
198
199
200
201
202
203
204
205
206
207
208
209
210
211
212
213
214
215
216
217
218
219
220
221
222
223
224
225
226
227
228
229
230
231
232
233
234
235
236
237
238
239
240
241
242
243
244
245
246
247
248
249
250
251
252
253
254
255
256
257
258
259
260
261
262
263
264
265
266
267
268
269
270
271
272
273
274
275
276
277
278
279
280
281
282
283
284
285
286
287
288
289
290
291
292
293
294
295
296
297
298
299
300
301
302
303
304
305
306
307
308
309
310
311
312
313
314
315
316
317
318
319
320
321
322
323
324
325
326
327
328
329
330
331
332
333
334
335
336
337
338
339
340
341
342
343
344
345
346
347
348
349
350
351
352
353
354
355
356
357
358
359
360
361
362
363
364
365
366
367
368
369
370
371
372
373
374
375
376
377
378
379
380
381
382
383
384
385
386
387
388
389
390
391
392
393
394
395
396
397
398
399
400
401
402
403
404
405
406
407
408
409
410
411
412
413
414
415
416
417
418
419
420
421
422
423
424
425
426
427
428
429
430
431
432
433
434
435
436
437
438
439
440
441
442
443
444
445
446
447
448
449
450
451
452
453
454
455
456
457
458
459
460
461
462
463
464
465
466
467
468
469
470
471
472
473
474
475
476
477
478
479
480
481
482
483
484
485
486
487
488
489
490
491
492
493
494
495
496
497
498
499
500
501
502
503
504
505
506
507
508
509
510
511
512
513
514
515
516
517
518
519
520
521
522
523
524
525
526
527
528
529
530
531
532
533
534
535
536
537
538
539
540
541
542
543
544
545
546
547
548
549
550
551
552
553
554
555
556
557
558
559
560
561
562
563
564
565
566
567
568
569
570
571
572
573
574
575
576
577
578
579
580
581
582
583
584
585
586
587
588
589
590
591
592
593
594
595
596
597
598
599
600
601
602
603
604
605
606
607
608
609
610
611
612
613
614
615
616
617
618
619
620
621
622
623
624
625
626
627
628
629
630
631
632
633
634
635
636
637
638
639
640
641
642
643
644
645
646
647
648
649
650
651
652
653
654
655
656
657
658
659
660
661
662
663
664
665
666
667
668
669
670
671
672
673
674
675
676
677
678
679
680
681
682
683
684
685
686
687
688
689
690
691
692
693
694
695
696
697
698
699
700
701
702
703
704
705
706
707
708
709
710
711
712
713
714
715
716
717
718
719
720
721
722
723
724
725
726
727
728
729
730
731
732
733
734
735
736
737
738
739
740
741
742
743
744
745
746
747
748
749
750
751
752
753
754
755
756
757
758
759
760
761
762
763
764
765
766
767
768
769
770
771
772
773
774
775
776
777
778
779
780
781
782
783
784
785
786
787
788
789
790
791
792
793
794
795
796
797
798
799
800
801
802
803
804
805
806
807
808
809
810
811
812
813
814
815
816
817
818
819
820
821
822
823
824
825
826
827
828
829
830
831
832
833
834
835
836
837
838
839
840
841
842
843
844
845
846
847
848
849
850
851
852
853
854
855
856
857
858
859
860
861
862
863
864
865
866
867
868
869
870
871
872
873
874
875
876
877
878
879
880
881
882
883
884
885
886
887
888
889
890
891
892
893
894
895
896
897
898
899
900
901
902
903
904
905
906
907
908
909
910
911
912
913
914
915
916
917
918
919
920
921
922
923
924
925
926
927
928
929
930
931
932
933
934
935
936
937
938
939
940
941
942
943
944
945
946
947
948
949
950
951
952
953
954
955
956
957
958
959
960
961
962
963
964
965
966
967
968
969
970
971
972
973
974
975
976
977
978
979
980
981
982
983
984
985
986
987
988
989
990
991
992
993
994
995
996
997
998
999
標準単価
製作日数
質量(1個)
※購入時の出荷目安(営業日)と製作日数は異なります。
製品形式入力
価格納期確認
CADダウンロード
DXF形式
STEP形式
ParaSolid形式
IGES形式
購入
数量
1
2
3
4
5
6
7
8
9
10
11
12
13
14
15
16
17
18
19
20
21
22
23
24
25
26
27
28
29
30
31
32
33
34
35
36
37
38
39
40
41
42
43
44
45
46
47
48
49
50
51
52
53
54
55
56
57
58
59
60
61
62
63
64
65
66
67
68
69
70
71
72
73
74
75
76
77
78
79
80
81
82
83
84
85
86
87
88
89
90
91
92
93
94
95
96
97
98
99
100
101
102
103
104
105
106
107
108
109
110
111
112
113
114
115
116
117
118
119
120
121
122
123
124
125
126
127
128
129
130
131
132
133
134
135
136
137
138
139
140
141
142
143
144
145
146
147
148
149
150
151
152
153
154
155
156
157
158
159
160
161
162
163
164
165
166
167
168
169
170
171
172
173
174
175
176
177
178
179
180
181
182
183
184
185
186
187
188
189
190
191
192
193
194
195
196
197
198
199
200
201
202
203
204
205
206
207
208
209
210
211
212
213
214
215
216
217
218
219
220
221
222
223
224
225
226
227
228
229
230
231
232
233
234
235
236
237
238
239
240
241
242
243
244
245
246
247
248
249
250
251
252
253
254
255
256
257
258
259
260
261
262
263
264
265
266
267
268
269
270
271
272
273
274
275
276
277
278
279
280
281
282
283
284
285
286
287
288
289
290
291
292
293
294
295
296
297
298
299
300
301
302
303
304
305
306
307
308
309
310
311
312
313
314
315
316
317
318
319
320
321
322
323
324
325
326
327
328
329
330
331
332
333
334
335
336
337
338
339
340
341
342
343
344
345
346
347
348
349
350
351
352
353
354
355
356
357
358
359
360
361
362
363
364
365
366
367
368
369
370
371
372
373
374
375
376
377
378
379
380
381
382
383
384
385
386
387
388
389
390
391
392
393
394
395
396
397
398
399
400
401
402
403
404
405
406
407
408
409
410
411
412
413
414
415
416
417
418
419
420
421
422
423
424
425
426
427
428
429
430
431
432
433
434
435
436
437
438
439
440
441
442
443
444
445
446
447
448
449
450
451
452
453
454
455
456
457
458
459
460
461
462
463
464
465
466
467
468
469
470
471
472
473
474
475
476
477
478
479
480
481
482
483
484
485
486
487
488
489
490
491
492
493
494
495
496
497
498
499
500
501
502
503
504
505
506
507
508
509
510
511
512
513
514
515
516
517
518
519
520
521
522
523
524
525
526
527
528
529
530
531
532
533
534
535
536
537
538
539
540
541
542
543
544
545
546
547
548
549
550
551
552
553
554
555
556
557
558
559
560
561
562
563
564
565
566
567
568
569
570
571
572
573
574
575
576
577
578
579
580
581
582
583
584
585
586
587
588
589
590
591
592
593
594
595
596
597
598
599
600
601
602
603
604
605
606
607
608
609
610
611
612
613
614
615
616
617
618
619
620
621
622
623
624
625
626
627
628
629
630
631
632
633
634
635
636
637
638
639
640
641
642
643
644
645
646
647
648
649
650
651
652
653
654
655
656
657
658
659
660
661
662
663
664
665
666
667
668
669
670
671
672
673
674
675
676
677
678
679
680
681
682
683
684
685
686
687
688
689
690
691
692
693
694
695
696
697
698
699
700
701
702
703
704
705
706
707
708
709
710
711
712
713
714
715
716
717
718
719
720
721
722
723
724
725
726
727
728
729
730
731
732
733
734
735
736
737
738
739
740
741
742
743
744
745
746
747
748
749
750
751
752
753
754
755
756
757
758
759
760
761
762
763
764
765
766
767
768
769
770
771
772
773
774
775
776
777
778
779
780
781
782
783
784
785
786
787
788
789
790
791
792
793
794
795
796
797
798
799
800
801
802
803
804
805
806
807
808
809
810
811
812
813
814
815
816
817
818
819
820
821
822
823
824
825
826
827
828
829
830
831
832
833
834
835
836
837
838
839
840
841
842
843
844
845
846
847
848
849
850
851
852
853
854
855
856
857
858
859
860
861
862
863
864
865
866
867
868
869
870
871
872
873
874
875
876
877
878
879
880
881
882
883
884
885
886
887
888
889
890
891
892
893
894
895
896
897
898
899
900
901
902
903
904
905
906
907
908
909
910
911
912
913
914
915
916
917
918
919
920
921
922
923
924
925
926
927
928
929
930
931
932
933
934
935
936
937
938
939
940
941
942
943
944
945
946
947
948
949
950
951
952
953
954
955
956
957
958
959
960
961
962
963
964
965
966
967
968
969
970
971
972
973
974
975
976
977
978
979
980
981
982
983
984
985
986
987
988
989
990
991
992
993
994
995
996
997
998
999
標準単価
製作日数
質量(1個)
※購入時の出荷目安(営業日)と製作日数は異なります。
価格納期確認
CADダウンロード
DXF形式
STEP形式
ParaSolid形式
IGES形式
購入
数量
1
2
3
4
5
6
7
8
9
10
11
12
13
14
15
16
17
18
19
20
21
22
23
24
25
26
27
28
29
30
31
32
33
34
35
36
37
38
39
40
41
42
43
44
45
46
47
48
49
50
51
52
53
54
55
56
57
58
59
60
61
62
63
64
65
66
67
68
69
70
71
72
73
74
75
76
77
78
79
80
81
82
83
84
85
86
87
88
89
90
91
92
93
94
95
96
97
98
99
100
101
102
103
104
105
106
107
108
109
110
111
112
113
114
115
116
117
118
119
120
121
122
123
124
125
126
127
128
129
130
131
132
133
134
135
136
137
138
139
140
141
142
143
144
145
146
147
148
149
150
151
152
153
154
155
156
157
158
159
160
161
162
163
164
165
166
167
168
169
170
171
172
173
174
175
176
177
178
179
180
181
182
183
184
185
186
187
188
189
190
191
192
193
194
195
196
197
198
199
200
201
202
203
204
205
206
207
208
209
210
211
212
213
214
215
216
217
218
219
220
221
222
223
224
225
226
227
228
229
230
231
232
233
234
235
236
237
238
239
240
241
242
243
244
245
246
247
248
249
250
251
252
253
254
255
256
257
258
259
260
261
262
263
264
265
266
267
268
269
270
271
272
273
274
275
276
277
278
279
280
281
282
283
284
285
286
287
288
289
290
291
292
293
294
295
296
297
298
299
300
301
302
303
304
305
306
307
308
309
310
311
312
313
314
315
316
317
318
319
320
321
322
323
324
325
326
327
328
329
330
331
332
333
334
335
336
337
338
339
340
341
342
343
344
345
346
347
348
349
350
351
352
353
354
355
356
357
358
359
360
361
362
363
364
365
366
367
368
369
370
371
372
373
374
375
376
377
378
379
380
381
382
383
384
385
386
387
388
389
390
391
392
393
394
395
396
397
398
399
400
401
402
403
404
405
406
407
408
409
410
411
412
413
414
415
416
417
418
419
420
421
422
423
424
425
426
427
428
429
430
431
432
433
434
435
436
437
438
439
440
441
442
443
444
445
446
447
448
449
450
451
452
453
454
455
456
457
458
459
460
461
462
463
464
465
466
467
468
469
470
471
472
473
474
475
476
477
478
479
480
481
482
483
484
485
486
487
488
489
490
491
492
493
494
495
496
497
498
499
500
501
502
503
504
505
506
507
508
509
510
511
512
513
514
515
516
517
518
519
520
521
522
523
524
525
526
527
528
529
530
531
532
533
534
535
536
537
538
539
540
541
542
543
544
545
546
547
548
549
550
551
552
553
554
555
556
557
558
559
560
561
562
563
564
565
566
567
568
569
570
571
572
573
574
575
576
577
578
579
580
581
582
583
584
585
586
587
588
589
590
591
592
593
594
595
596
597
598
599
600
601
602
603
604
605
606
607
608
609
610
611
612
613
614
615
616
617
618
619
620
621
622
623
624
625
626
627
628
629
630
631
632
633
634
635
636
637
638
639
640
641
642
643
644
645
646
647
648
649
650
651
652
653
654
655
656
657
658
659
660
661
662
663
664
665
666
667
668
669
670
671
672
673
674
675
676
677
678
679
680
681
682
683
684
685
686
687
688
689
690
691
692
693
694
695
696
697
698
699
700
701
702
703
704
705
706
707
708
709
710
711
712
713
714
715
716
717
718
719
720
721
722
723
724
725
726
727
728
729
730
731
732
733
734
735
736
737
738
739
740
741
742
743
744
745
746
747
748
749
750
751
752
753
754
755
756
757
758
759
760
761
762
763
764
765
766
767
768
769
770
771
772
773
774
775
776
777
778
779
780
781
782
783
784
785
786
787
788
789
790
791
792
793
794
795
796
797
798
799
800
801
802
803
804
805
806
807
808
809
810
811
812
813
814
815
816
817
818
819
820
821
822
823
824
825
826
827
828
829
830
831
832
833
834
835
836
837
838
839
840
841
842
843
844
845
846
847
848
849
850
851
852
853
854
855
856
857
858
859
860
861
862
863
864
865
866
867
868
869
870
871
872
873
874
875
876
877
878
879
880
881
882
883
884
885
886
887
888
889
890
891
892
893
894
895
896
897
898
899
900
901
902
903
904
905
906
907
908
909
910
911
912
913
914
915
916
917
918
919
920
921
922
923
924
925
926
927
928
929
930
931
932
933
934
935
936
937
938
939
940
941
942
943
944
945
946
947
948
949
950
951
952
953
954
955
956
957
958
959
960
961
962
963
964
965
966
967
968
969
970
971
972
973
974
975
976
977
978
979
980
981
982
983
984
985
986
987
988
989
990
991
992
993
994
995
996
997
998
999
標準単価
製作日数
質量(1個)
※購入時の出荷目安(営業日)と製作日数は異なります。
製品形式入力
価格納期確認
CADダウンロード
DXF形式
STEP形式
ParaSolid形式
IGES形式
購入
数量
1
2
3
4
5
6
7
8
9
10
11
12
13
14
15
16
17
18
19
20
21
22
23
24
25
26
27
28
29
30
31
32
33
34
35
36
37
38
39
40
41
42
43
44
45
46
47
48
49
50
51
52
53
54
55
56
57
58
59
60
61
62
63
64
65
66
67
68
69
70
71
72
73
74
75
76
77
78
79
80
81
82
83
84
85
86
87
88
89
90
91
92
93
94
95
96
97
98
99
100
101
102
103
104
105
106
107
108
109
110
111
112
113
114
115
116
117
118
119
120
121
122
123
124
125
126
127
128
129
130
131
132
133
134
135
136
137
138
139
140
141
142
143
144
145
146
147
148
149
150
151
152
153
154
155
156
157
158
159
160
161
162
163
164
165
166
167
168
169
170
171
172
173
174
175
176
177
178
179
180
181
182
183
184
185
186
187
188
189
190
191
192
193
194
195
196
197
198
199
200
201
202
203
204
205
206
207
208
209
210
211
212
213
214
215
216
217
218
219
220
221
222
223
224
225
226
227
228
229
230
231
232
233
234
235
236
237
238
239
240
241
242
243
244
245
246
247
248
249
250
251
252
253
254
255
256
257
258
259
260
261
262
263
264
265
266
267
268
269
270
271
272
273
274
275
276
277
278
279
280
281
282
283
284
285
286
287
288
289
290
291
292
293
294
295
296
297
298
299
300
301
302
303
304
305
306
307
308
309
310
311
312
313
314
315
316
317
318
319
320
321
322
323
324
325
326
327
328
329
330
331
332
333
334
335
336
337
338
339
340
341
342
343
344
345
346
347
348
349
350
351
352
353
354
355
356
357
358
359
360
361
362
363
364
365
366
367
368
369
370
371
372
373
374
375
376
377
378
379
380
381
382
383
384
385
386
387
388
389
390
391
392
393
394
395
396
397
398
399
400
401
402
403
404
405
406
407
408
409
410
411
412
413
414
415
416
417
418
419
420
421
422
423
424
425
426
427
428
429
430
431
432
433
434
435
436
437
438
439
440
441
442
443
444
445
446
447
448
449
450
451
452
453
454
455
456
457
458
459
460
461
462
463
464
465
466
467
468
469
470
471
472
473
474
475
476
477
478
479
480
481
482
483
484
485
486
487
488
489
490
491
492
493
494
495
496
497
498
499
500
501
502
503
504
505
506
507
508
509
510
511
512
513
514
515
516
517
518
519
520
521
522
523
524
525
526
527
528
529
530
531
532
533
534
535
536
537
538
539
540
541
542
543
544
545
546
547
548
549
550
551
552
553
554
555
556
557
558
559
560
561
562
563
564
565
566
567
568
569
570
571
572
573
574
575
576
577
578
579
580
581
582
583
584
585
586
587
588
589
590
591
592
593
594
595
596
597
598
599
600
601
602
603
604
605
606
607
608
609
610
611
612
613
614
615
616
617
618
619
620
621
622
623
624
625
626
627
628
629
630
631
632
633
634
635
636
637
638
639
640
641
642
643
644
645
646
647
648
649
650
651
652
653
654
655
656
657
658
659
660
661
662
663
664
665
666
667
668
669
670
671
672
673
674
675
676
677
678
679
680
681
682
683
684
685
686
687
688
689
690
691
692
693
694
695
696
697
698
699
700
701
702
703
704
705
706
707
708
709
710
711
712
713
714
715
716
717
718
719
720
721
722
723
724
725
726
727
728
729
730
731
732
733
734
735
736
737
738
739
740
741
742
743
744
745
746
747
748
749
750
751
752
753
754
755
756
757
758
759
760
761
762
763
764
765
766
767
768
769
770
771
772
773
774
775
776
777
778
779
780
781
782
783
784
785
786
787
788
789
790
791
792
793
794
795
796
797
798
799
800
801
802
803
804
805
806
807
808
809
810
811
812
813
814
815
816
817
818
819
820
821
822
823
824
825
826
827
828
829
830
831
832
833
834
835
836
837
838
839
840
841
842
843
844
845
846
847
848
849
850
851
852
853
854
855
856
857
858
859
860
861
862
863
864
865
866
867
868
869
870
871
872
873
874
875
876
877
878
879
880
881
882
883
884
885
886
887
888
889
890
891
892
893
894
895
896
897
898
899
900
901
902
903
904
905
906
907
908
909
910
911
912
913
914
915
916
917
918
919
920
921
922
923
924
925
926
927
928
929
930
931
932
933
934
935
936
937
938
939
940
941
942
943
944
945
946
947
948
949
950
951
952
953
954
955
956
957
958
959
960
961
962
963
964
965
966
967
968
969
970
971
972
973
974
975
976
977
978
979
980
981
982
983
984
985
986
987
988
989
990
991
992
993
994
995
996
997
998
999
標準単価
製作日数
質量(1個)
※購入時の出荷目安(営業日)と製作日数は異なります。